Construction d'une villa
Notre mission
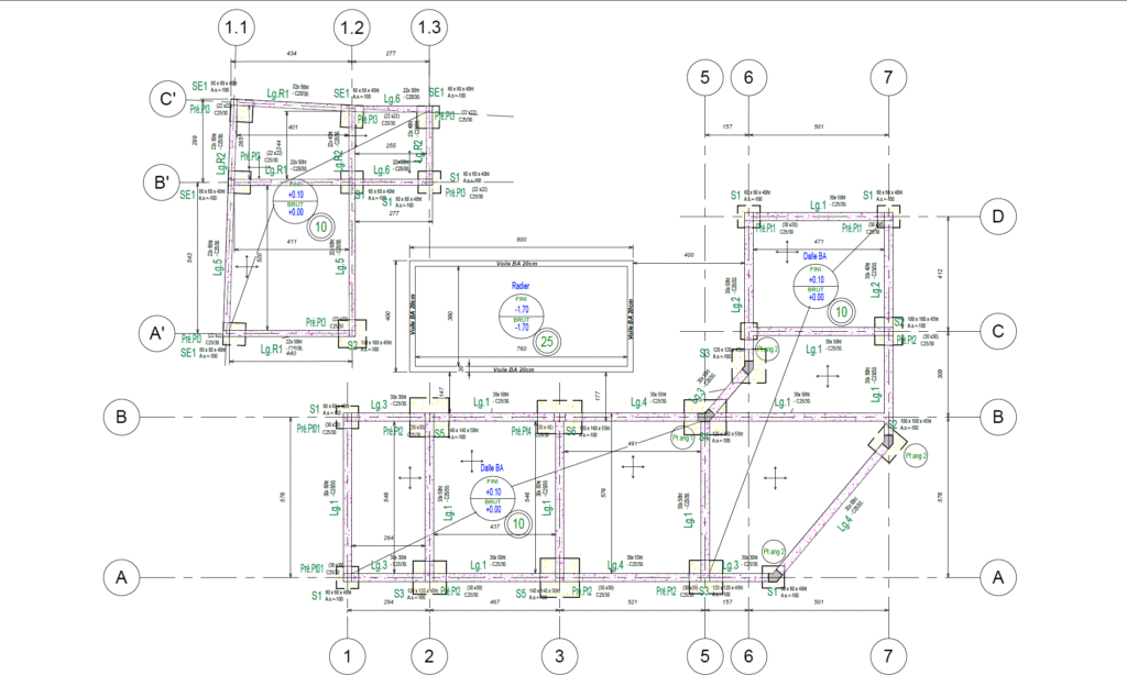
Dans le cadre de ce projet de construction d’une villa, nous avons été missionnés par notre client pour la réalisation complète des études structurelles d’exécution, destinées aux entreprises de bâtiment.
À partir des plans architecturaux fournis par l’architecte, notre mission a consisté à :
-
réaliser les plans de coffrage,
-
établir les plans de ferraillage de l’ensemble des éléments porteurs,
-
produire les détails de calculs et de dimensionnement,
-
fournir tous les documents techniques nécessaires à la bonne exécution des travaux sur chantier.
L’ensemble des plans a été conçu avec une approche rigoureuse, garantissant la conformité structurelle, la clarté des documents et une mise en œuvre efficace par les entreprises de construction.
Ce projet illustre notre capacité à transformer un projet architectural en solutions structurelles fiables et exécutables, adaptées aux exigences techniques et aux contraintes du chantier.
Extraits du projet